1, 수송 경로(Route)를 최적 설계(건축구조를 감안하여)하고, 수송 용량을 정확하게 설계하여 최소한의 동력(비용)으로 소정의 목표를 달성하는 System을 구축합니다.
2, 수송 Root 중에 마모가 우려되는 부위(곡선부 등)는 수송 재료의 특성을 분석 하여 내마모성 재질(구조)을 선택하여 내구성을 보장합니다.
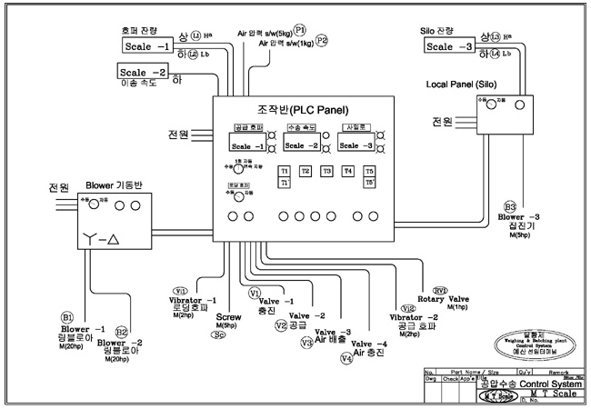
3, 공급 Tank의 기둥에 로드셀을 부착하여 Tank내의 잔량을 읽어서 제어합니다. (Silo scale을 활용하여 실시간 잔량을 무게로 표시하고, 수송 System을 Control 합니다.)
4, 수송 System의 종말지점에 로드셀 방식의 “질량유량계”를 설치하여 수송 상태를 실시간으로 표시하고 수송 System을 Control 합니다. 특히 질량유량을 감지하여 “Bag filter의 배압상태”를 판단 할 수 있습니다.
영업상담 : 엠티스케일 대표 -정밀측정기술사/건축기사 김두봉 010 5389 1085- |

<입상체(곡물, 모래 등), 분체(시멘트) 공압수송 System>

<공압수송 Control Time chart -1>

<공압수송 Control System>

<공압수송 Control Time chart -2>

<Load cell 방식의 질량유량계>

<공압수송 배관 : 곡관과 수평관>

<공압수송 배관 : 경사관>

<로드셀 방식의 질량유량계>
관로의 곡선부분에 벨로우즈 와 로드셀을 설치하면
곡선관로에 작용하는 원심력을 측정 할 수 있습니다.

<질량유량계에 설치한 방풍커버 >
유량계가 바람의 영향을 받을 경우 방풍커버를 설치합니다.
영업상담 : 엠티스케일 대표
-정밀측정기술사/건축기사 김두봉 010 5389 1085-
-정밀측정기술사/건축기사 김두봉 010 5389 1085-
